Форум Lossy.ru

Вернуться   Форум Lossy.ru > Аудио-аппаратура > Усилители для наушников

Ответ
 
Опции темы Опции просмотра
Старый 07.03.2019, 16:58   #421
xoverx
 
Регистрация: 28.02.2019
Адрес: qwe
Сообщений: 29
Цитата:
Сообщение от Tralfamadorin Посмотреть сообщение
Цифра перед па нужна для подбора в пары (изготовителю).
Что насчет кабеля и джека? Пойдет?
xoverx вне форума   Ответить с цитированием
Старый 07.03.2019, 17:05   #422
Tralfamadorin
 
Аватар для Tralfamadorin
 
Регистрация: 22.01.2013
Адрес: Красногорск
Сообщений: 1,140
Такого кабеля у меня не было. Для них достаточен любой многожильный с более менее честной медью. Не тоненький китайский современный - бас уйдет( его и там не слишком много) , начнут пилить, утоньшать звук. Стоковый вполне сносный.
Neutrik - хорошая фирма.
Tralfamadorin вне форума   Ответить с цитированием
Старый 07.03.2019, 17:10   #423
xoverx
 
Регистрация: 28.02.2019
Адрес: qwe
Сообщений: 29
Цитата:
Сообщение от Tralfamadorin Посмотреть сообщение
Такого кабеля у меня не было. Для них достаточен любой многожильный с более менее честной медью. Не тоненький китайский современный - бас уйдет( его и там не слишком много) , начнут пилить, утоньшать звук. Стоковый вполне сносный.
Neutrik - хорошая фирма.
3мм кабель. Есть еще вариант 5мм, но он не влезет в 3.5 джек, потому что у него максимальный кабель, который он может принять - 4мм.
xoverx вне форума   Ответить с цитированием
Старый 07.03.2019, 17:12   #424
xoverx
 
Регистрация: 28.02.2019
Адрес: qwe
Сообщений: 29
65 кит на сборку усилителя, 25 на блок и 120 на регулятор громкости. Жирновато как-то для ушей за 1250 рублей.
xoverx вне форума   Ответить с цитированием
Старый 07.03.2019, 17:34   #425
Tralfamadorin
 
Аватар для Tralfamadorin
 
Регистрация: 22.01.2013
Адрес: Красногорск
Сообщений: 1,140
Надо брать только кит усилителя.
25 за блок питания дорого - рублей стоит 500 транс. Диоды и кондеры раньше были на плате усилителя. Сейчас не знаю - оптимизация.
Регулятор, какой он предлагает, имхо, для любителей понтов. Резистор из чипа и дипа рублей за 200 подойдет.

Еще не забывайте корпус. Сейчас на Али цены! - в пол усилителя станет.
Tralfamadorin вне форума   Ответить с цитированием
Старый 07.03.2019, 17:35   #426
Tralfamadorin
 
Аватар для Tralfamadorin
 
Регистрация: 22.01.2013
Адрес: Красногорск
Сообщений: 1,140
Цитата:
Сообщение от xoverx Посмотреть сообщение
65 кит на сборку усилителя, 25 на блок и 120 на регулятор громкости. Жирновато как-то для ушей за 1250 рублей.
Усилитель на вырост - под наушники намного лучше подойдет.
Tralfamadorin вне форума   Ответить с цитированием
Старый 07.03.2019, 19:08   #427
xoverx
 
Регистрация: 28.02.2019
Адрес: qwe
Сообщений: 29
Цитата:
Сообщение от Tralfamadorin Посмотреть сообщение
Усилитель на вырост - под наушники намного лучше подойдет.
То есть у него надо брать только кит за 65? Остальное удастся купить отдельно?
xoverx вне форума   Ответить с цитированием
Старый 07.03.2019, 19:51   #428
Tralfamadorin
 
Аватар для Tralfamadorin
 
Регистрация: 22.01.2013
Адрес: Красногорск
Сообщений: 1,140
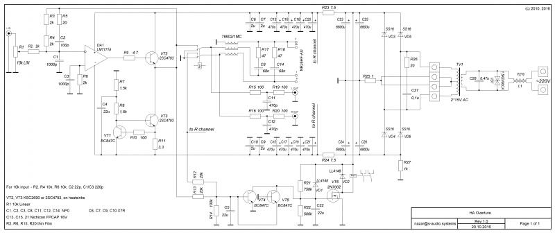
Да . там к плате усилителя нужен резистор на входе и трансформатор для питания от сети ( на схеме с простым фильтром).
Миниатюры
Нажмите на изображение для увеличения
Название: ClassA_HA.GIF.cb842e84228a3be4a45271bb1c8b2cc0.jpg
Просмотров: 2098
Размер:	37.4 Кб
ID:	8459  
Tralfamadorin вне форума   Ответить с цитированием
Старый 07.03.2019, 19:53   #429
xoverx
 
Регистрация: 28.02.2019
Адрес: qwe
Сообщений: 29
Цитата:
Сообщение от Tralfamadorin Посмотреть сообщение
Да . там к плате усилителя нужен резистор на входе и трансформатор на выходе ( на схеме с простым фильтром).
Я не электрик, разве чтоприпаять чтото могу, если нет подробного гайда я это не соберу.
xoverx вне форума   Ответить с цитированием
Старый 07.03.2019, 20:06   #430
Tralfamadorin
 
Аватар для Tralfamadorin
 
Регистрация: 22.01.2013
Адрес: Красногорск
Сообщений: 1,140
Цитата:
Сообщение от xoverx Посмотреть сообщение
Я не электрик, разве чтоприпаять чтото могу, если нет подробного гайда я это не соберу.
Там собрать большого ума не надо - работает без настройки. Но если нет опыта пайки мелких чип-элементов самому браться не стоит. На фото усилитель - вид снизу.


Готовые на вторичке видел от 10 до 20 тысяч.
Миниатюры
Нажмите на изображение для увеличения
Название: class_a_ha_III.jpg
Просмотров: 2070
Размер:	79.8 Кб
ID:	8460  
Tralfamadorin вне форума   Ответить с цитированием
Ответ


Ваши права в разделе
Вы не можете создавать новые темы
Вы не можете отвечать в темах
Вы не можете прикреплять вложения
Вы не можете редактировать свои сообщения

BB коды Вкл.
Смайлы Вкл.
[IMG] код Вкл.
HTML код Выкл.



Часовой пояс GMT +4, время: 14:24.


Powered by vBulletin® Version 3.8.5
Copyright ©2000 - 2026, Jelsoft Enterprises Ltd. Перевод: zCarot
Copyright © 2009 - 2022 www.lossy.ru