Форум Lossy.ru

Вернуться   Форум Lossy.ru > Аудио-аппаратура > Усилители для наушников

Ответ
 
Опции темы Опции просмотра
Старый 09.12.2015, 20:47   #51
real64
 
Регистрация: 03.10.2010
Адрес: Бобров
Сообщений: 3
Для своих ТДС-5 собрал и слушаю вот такие простые, но с очень приличным качеством усилители.
http://diyfactory.ru/forum/index.php?showtopic=2558
http://diyfactory.ru/forum/index.php?showtopic=2551
real64 вне форума   Ответить с цитированием
Старый 09.12.2015, 21:20   #52
Семицветов
 
Аватар для Семицветов
 
Регистрация: 02.12.2015
Адрес: Харьков
Сообщений: 35
Цитата:
Сообщение от real64 Посмотреть сообщение
слушаю вот такие простые
Судя только по графикам СпектраПлюс, первый усилитель лучше. У второго расхождения в каналах большие. А RMAA test первого усилителя можете снять без нагрузки и с нагрузкой (через разветвитель)?
Семицветов вне форума   Ответить с цитированием
Старый 09.12.2015, 22:12   #53
real64
 
Регистрация: 03.10.2010
Адрес: Бобров
Сообщений: 3
Я собственно уже снимал:
http://forum.datagor.ru/topic/10306-...ov-s-parallel/
По второму усилителю. В чём на Ваш взгляд это большое расхождение выражается? Он собирался по классической схеме JLH, только с поправкой на наушники. Отсюда пониженное напряжение и небольшой ток выходного каскада. На мой взгляд, вернее ухо, работает вполне достойно.
real64 вне форума   Ответить с цитированием
Старый 09.12.2015, 23:10   #54
Семицветов
 
Аватар для Семицветов
 
Регистрация: 02.12.2015
Адрес: Харьков
Сообщений: 35
Цитата:
Сообщение от real64 Посмотреть сообщение
Я собственно уже снимал:
На Датагоре нужна регистрация для скачивания файлов.
Семицветов вне форума   Ответить с цитированием
Старый 09.12.2015, 23:18   #55
Семицветов
 
Аватар для Семицветов
 
Регистрация: 02.12.2015
Адрес: Харьков
Сообщений: 35
Цитата:
Сообщение от real64 Посмотреть сообщение
В чём на Ваш взгляд это большое расхождение выражается?
Если я правильно понял, то в левом - правом каналах:
THD+N
0,006649%
0,006031%
По сигнал-шум тоже расхождение, наверное, не точно подобраны транзисторы в парах по каналам. В RMAA test результативнее видно, если расхождения нет в каналах, белый и зеленый на графике - один-в-один.
Семицветов вне форума   Ответить с цитированием
Старый 10.12.2015, 07:30   #56
real64
 
Регистрация: 03.10.2010
Адрес: Бобров
Сообщений: 3
Если честно, транзисторы в пары не подбирал. Применённые маломощные копеечные транзисторы как ни странно обладают одинаковым статическим КУ. Да и осбого смысла в этом не видел. С отличием в четвертом знаке на первое место выходили другие причины. Даже разное расположение соединительных проводов при измерениях давали уже другой результат. Так же сказалось разное входное сопротивление усилителей. У Худа оно выше и он больше выявляет разницу в каналах звукового интерфейса. Если действительно интересно, позже приложу тесты в RMAA
real64 вне форума   Ответить с цитированием
Старый 25.12.2015, 19:57   #57
aleksus-06
 
Регистрация: 09.08.2015
Адрес: Россия, Бор
Сообщений: 24
Здравствуйте. Какой ток покоя должен быть у усилителя? 35 мА хватит для раскачки ортодинамики? Автор про него пишет следующее:" По поводу моего усилителя могу сказать следующее : это линейный усилитель, с выходным каскадом работающим в А классе. Выход двухтактный, т.е без выходного конденсатора. Ток покоя выходных транзисторов - 35 ма. Это довольно таки большой ток, по этому на выходе стоит подобранная пара BD 140 - 139. Эти ребята могут потянуть ( для сравнения ) АС на 10 вт.ОУ использую только импорт. Из серии ОРА 2134, TL 072. Входные каскады этих ОУ выполнены на полевых транзисторах, а сами ОУ имеют очень хорошие параметры. Мне больше нравится 072. Блок питания встроенный, с запасом по мощности. Используется двуполярное питание 15 в. Конденсаторы блока питания Rubicon, Nichicon или Elna.". Пойдёт, не пойдет? Автор говорит,что с тдс-5 нормально играл, не жаловались. Извините если немного сумбурно изьясняю.
Поправка. Схема есть.Нажмите на изображение для увеличения
Название: Class_A_amlifier_IC.gif
Просмотров: 1502
Размер:	8.0 Кб
ID:	7191
aleksus-06 вне форума   Ответить с цитированием
Старый 27.12.2015, 09:53   #58
aleksus-06
 
Регистрация: 09.08.2015
Адрес: Россия, Бор
Сообщений: 24
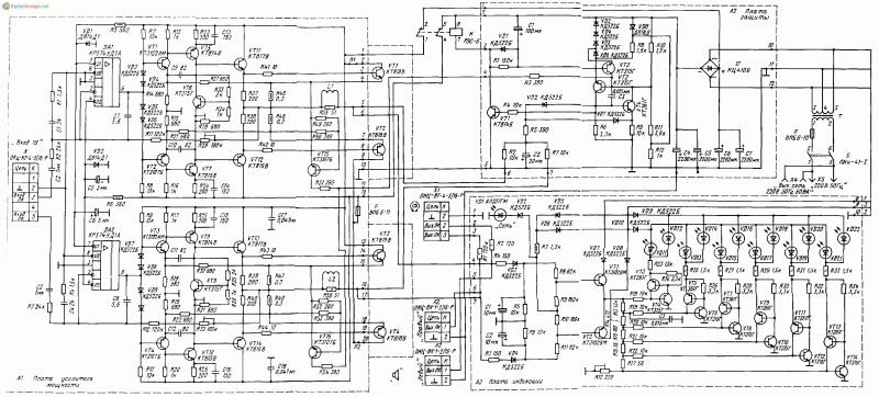
Сам спросил, сам отвечу. Вывод: - Не пойдёт! Имел глупость заказать данный усилитель. Слушал с внешней Creative X-Fi HD наушниками ТДС-16 Эхо 16 Ом и Фостексами Т20 орто. Субьективно он или их не качает, или это и есть тот самый "некрашенный хай-файный звук". Сразу острая нехватка баса. Он сухой и какойто поверхностный, показанный для вида. Правда довольно быстрый и контролируемый. Нехватка тембров. Голос, гитара, пианино звучат очень неубедительно. С металлическим оттенком. Как мобильник слушаешь по громкой. Плюсами является хорошо прорисованная "сцена", детализация. Сравнивал со встроенным усем Creative X-Fi HD, УМ Ода 102, плеером Юхифи 770. У них с тембрами всё в порядке. С УМ Ода 102, совсем хорошо, наушники снимать не хочется.Гитарный перебор за душу берет. К Оде претензии, что на верхней середине в вокале проскакивают визжащие нотки иногда. Скажите, Оду до ума как-то можно довести? Схема здесь: http://radiostorage.net/uploads/Imag...-scheme-43.png
Миниатюры
Нажмите на изображение для увеличения
Название: stereos-scheme-43.jpg
Просмотров: 1643
Размер:	81.2 Кб
ID:	7195  
aleksus-06 вне форума   Ответить с цитированием
Старый 27.12.2015, 11:27   #59
Семицветов
 
Аватар для Семицветов
 
Регистрация: 02.12.2015
Адрес: Харьков
Сообщений: 35
Цитата:
Сообщение от aleksus-06 Посмотреть сообщение
35 мА хватит для раскачки ортодинамики?
Комариный писк.
Семицветов вне форума   Ответить с цитированием
Старый 27.12.2015, 11:30   #60
Семицветов
 
Аватар для Семицветов
 
Регистрация: 02.12.2015
Адрес: Харьков
Сообщений: 35
Цитата:
Сообщение от aleksus-06 Посмотреть сообщение
наушниками ТДС-16 Эхо 16 Ом
С Семигором данные наушники как родные. В стоковой схеме допустимо увеличить разделительные конденсаторы 2200 до 3300 и выше для лучшего баса. Ток покоя Семигора - 330мА на канал.
Семицветов вне форума   Ответить с цитированием
Ответ


Ваши права в разделе
Вы не можете создавать новые темы
Вы не можете отвечать в темах
Вы не можете прикреплять вложения
Вы не можете редактировать свои сообщения

BB коды Вкл.
Смайлы Вкл.
[IMG] код Вкл.
HTML код Выкл.



Часовой пояс GMT +4, время: 21:35.


Powered by vBulletin® Version 3.8.5
Copyright ©2000 - 2026, Jelsoft Enterprises Ltd. Перевод: zCarot
Copyright © 2009 - 2022 www.lossy.ru