Форум Lossy.ru

Вернуться   Форум Lossy.ru > Аудио-аппаратура > Усилители для наушников

Ответ
 
Опции темы Опции просмотра
Старый 10.02.2012, 02:27   #41
serg01
 
Регистрация: 10.01.2012
Адрес: Полтава
Сообщений: 19
Сейчас в макете собран усилитель SRPP с трасформаторным выходом и темброблоком. Первые впечатления хорошие. Отслушаем коллективом, отпишусь. Чуть позже выложу схему...
serg01 вне форума   Ответить с цитированием
Старый 12.02.2012, 02:29   #42
serg01
 
Регистрация: 10.01.2012
Адрес: Полтава
Сообщений: 19
Ну вот и схема в первом приближении
Миниатюры
Нажмите на изображение для увеличения
Название: 01.jpg
Просмотров: 5348
Размер:	133.3 Кб
ID:	3814  
serg01 вне форума   Ответить с цитированием
Старый 12.02.2012, 07:27   #43
bursev
 
Регистрация: 10.07.2010
Адрес: Новосибирск
Сообщений: 10
Цитата:
Сообщение от serg01 Посмотреть сообщение
Ну вот и схема в первом приближении
А если отказаться от первого переключателя К1.1, т.е. вход темброблока постоянно подключить к РГ и тем самым исключить лишний контактный переход?

А РГ применен с линейной регулировочной характеристикой? А то 2+47к для 50к маловато.


С уважением.

Алексей Бурцев
bursev вне форума   Ответить с цитированием
Старый 12.02.2012, 14:15   #44
serg01
 
Регистрация: 10.01.2012
Адрес: Полтава
Сообщений: 19
На самом деле К1.1 это золотые контакты герметизированого реле РЭС60 Поставлено оно в угоду тем , кто хочет иметь чистый канал , без регулятора. В макете сделано без этого реле. Так же и входная цепь нижнего канала повторяет верхний. Предполагалось, что она будет служить своего рода регулировкой баланса. У меня , в макете она не понадобилась. R81 (Вы правы) стоит на 100К.

Последний раз редактировалось serg01; 12.02.2012 в 19:07.
serg01 вне форума   Ответить с цитированием
Старый 22.02.2012, 19:48   #45
serg01
 
Регистрация: 10.01.2012
Адрес: Полтава
Сообщений: 19
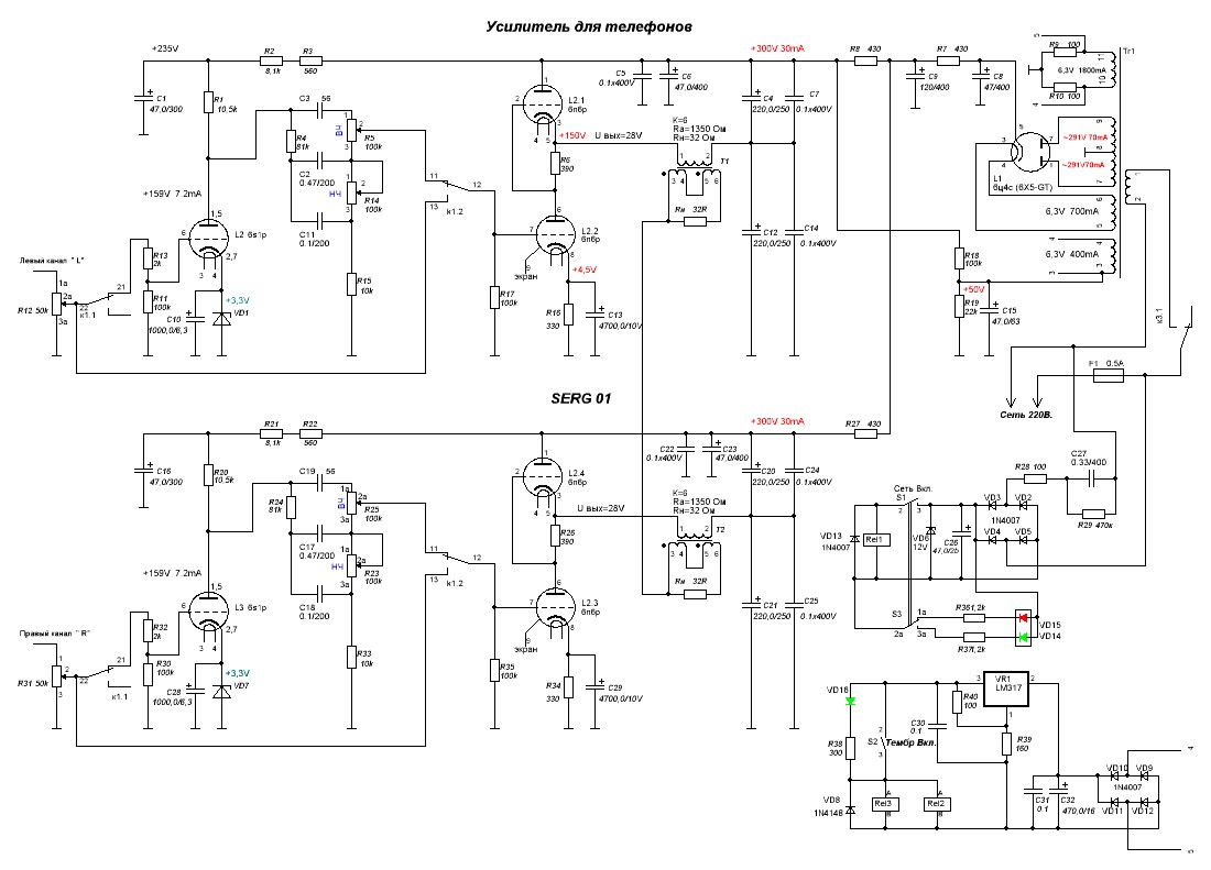
После пролушиваний и экспериментов схема усилителя преобразовалась в следующую
Миниатюры
Нажмите на изображение для увеличения
Название: Усилитель ТЛФ  R=32 Ом.JPG
Просмотров: 5124
Размер:	124.5 Кб
ID:	3851  
serg01 вне форума   Ответить с цитированием
Старый 05.03.2012, 15:54   #46
serg01
 
Регистрация: 10.01.2012
Адрес: Полтава
Сообщений: 19
А вот по этой схеме - печатная плата.
По звуку - при сравнении с усилителем на полевом в классе А - переиграл на раз. Не умею писать красивых фраз, но "воздух" и "сцена" присутствуют.
Миниатюры
Нажмите на изображение для увеличения
Название: 2222.JPG
Просмотров: 5197
Размер:	143.4 Кб
ID:	3932   Нажмите на изображение для увеличения
Название: РСВ 11.JPG
Просмотров: 4738
Размер:	132.2 Кб
ID:	3933  
serg01 вне форума   Ответить с цитированием
Старый 05.03.2012, 17:49   #47
Yoshimo
 
Аватар для Yoshimo
 
Регистрация: 15.03.2009
Адрес: Киев
Сообщений: 1,122
Цитата:
Сообщение от serg01 Посмотреть сообщение
А вот по этой схеме - печатная плата.
Да, тут в разводке черт ногу сломит, да и разрешение картинки низкое.
Интереснее было бы посмотреть фотографии монтажа.

А почему тембр-блок Фендеровский?
Yoshimo вне форума   Ответить с цитированием
Старый 05.03.2012, 17:57   #48
serg01
 
Регистрация: 10.01.2012
Адрес: Полтава
Сообщений: 19
150кВ- загрузка картинки всего навсего-поэтому разрешение никакое. Только развел плату, как только будет что то готовое-выложу. По плате: вся схема на плате (включая выходные и силовой трансформатор), что бы можно было вставить в любой корпус. Все регуляторы можно как впаять в плату, так и вывести проводами. Размеры платы 243х185. Конструкция корпуса предполагается следуюцая. Материал-орех массив
Миниатюры
Нажмите на изображение для увеличения
Название: 22.JPG
Просмотров: 4532
Размер:	25.4 Кб
ID:	3935  
serg01 вне форума   Ответить с цитированием
Старый 05.03.2012, 18:20   #49
Yoshimo
 
Аватар для Yoshimo
 
Регистрация: 15.03.2009
Адрес: Киев
Сообщений: 1,122
А каково назначение R13, R32? И почему смещение входной лампы сделано на стабилитроне, они ведь шумные?
Yoshimo вне форума   Ответить с цитированием
Старый 05.03.2012, 18:32   #50
serg01
 
Регистрация: 10.01.2012
Адрес: Полтава
Сообщений: 19
Специально сравнивал звучание со стабил. и с резистором. Резистором выставил рабочую точку лампы( определил номинал), собрал схему с переключателем, что в одном положении , что в другом-разницы нет. По поводу шума-стаб шумит на мкв, зашунтирован, электолитом, а входной сигнал 1-1,5В. Стабилитрон был выбран из практичности-со временем лампа стареет, уходят раб. режимы-стаб. будет четко держать рабочую точку. R13,32 предполагалось использовать для выравнивания Кu каскадов. Чтобы на плате оставить место-пришлось их оставить. Можно заменить перемычками
serg01 вне форума   Ответить с цитированием
Ответ


Ваши права в разделе
Вы не можете создавать новые темы
Вы не можете отвечать в темах
Вы не можете прикреплять вложения
Вы не можете редактировать свои сообщения

BB коды Вкл.
Смайлы Вкл.
[IMG] код Вкл.
HTML код Выкл.



Часовой пояс GMT +4, время: 07:22.


Powered by vBulletin® Version 3.8.5
Copyright ©2000 - 2026, Jelsoft Enterprises Ltd. Перевод: zCarot
Copyright © 2009 - 2022 www.lossy.ru