27.12.2015, 11:37
|
#61
|
Регистрация: 02.12.2015
Адрес: Харьков
Сообщений: 35
|
Цитата:
Сообщение от aleksus-06
это и есть тот самый "некрашенный хай-файный звук".
|
BD139 и BD140 (в вашей схеме усилителя) можно применять с разными бетта, на корпусе метятся -10 (меньше) и -16 (больше). Если это FAIR, то звучат довольно музыкально. BD139 допустимо ставить в пары КТ908 в Семигор. С BD139-ми звук более "темный", нежели с КТ602Б, звук которых более "аналитический" и "светлый".
|
|
|
27.12.2015, 11:40
|
#62
|
Регистрация: 02.12.2015
Адрес: Харьков
Сообщений: 35
|
Цитата:
Сообщение от aleksus-06
К Оде претензии, что на верхней середине в вокале проскакивают визжащие нотки иногда. Скажите, Оду до ума как-то можно довести?
|
Конденсаторы Elna RFS исправят звук вашего усилителя.
|
|
|
27.12.2015, 12:36
|
#63
|
Регистрация: 09.08.2015
Адрес: Россия, Бор
Сообщений: 24
|
Семицветов, расскажите пожалуйста подробней какие конденсаторы заменить, где и на какие номиналы. И что я выиграю от замены. Я сам в электронике чайник. Отдам кому нибудь на доработку. Нравится как она играет. С Семигором пока заминка. Деньги потрачены на "ту поделку". Спасибо.
|
|
|
27.12.2015, 17:20
|
#64
|
Регистрация: 02.12.2015
Адрес: Харьков
Сообщений: 35
|
Цитата:
Сообщение от aleksus-06
какие конденсаторы заменить
|
Начать со входных 1мкФ, на хороший полипропилен замените в первую очередь. Затем все электролиты 5мкФ, 10мкФ, 20мкФ, 2200 мкФ. http://forum.vegalab.ru/showthread.php?t=45010
|
|
|
|
Следующий пользователь поблагодарил Семицветов за это полезное сообщение
|
|
27.12.2015, 17:43
|
#65
|
Регистрация: 09.08.2015
Адрес: Россия, Бор
Сообщений: 24
|
Семицветов, спасибо, будем посмотреть... Топик на который Вы ссылаетесь, я читал, но понял только то, что переделывать Оду особо и не надо. Вроде ,Все ,там сошлись на мнении, что и так сойдёт))) Сейчас перечитываю.
|
|
|
27.12.2015, 19:13
|
#66
|
Регистрация: 09.08.2015
Адрес: Россия, Бор
Сообщений: 24
|
Перечитал. Сложновато для меня. Буду искать знающего человека, или другой вариант усилителя. Пока послушаю и так. Странно. Заявленный заводом ток покоя Оды 102 10-20 мА. Значит тоже не качает? Но звучит ТАК музыкально с ортодинамикой! Может вообще копать в сторону источника? Взять цап потемнее? Пробовал подключать к усилителю плеер хуэлинь 770. Там излишней яркости не услышал. Звук правда какой-то более простой, "сцена" приблизилась. Но, вкусно звучит. Угроблю вечер на изучение мультибитов, однобитов))))
|
|
|
28.12.2015, 03:42
|
#67
|
Регистрация: 15.03.2009
Адрес: Киев
Сообщений: 1,122
|
Цитата:
Сообщение от aleksus-06
З35 мА хватит для раскачки ортодинамики?
|
Ток покоя и ток, отдаваемый в нагрузку, это, мягко говоря, разные вещи. BD139/BD140 могут отдать в нагрузку до 200мА, если это позволит блок питания.
Да, и то, что эти транзисторы могут обеспечить 8-10Вт выходной мощности на АС (8Ом), это тоже неправда. Для выходной мощности 8Вт потребуется ток 1А, а такой ток с приемлимым уровнем искажений в нагрузку эти транзисторы не отдадут.
|
|
|
28.12.2015, 11:04
|
#68
|
Регистрация: 09.08.2015
Адрес: Россия, Бор
Сообщений: 24
|
Yoshimo, значит Ода справляется с её мощным б. п. И это слышно. А по самодельной схеме, что я на предыдущей странице выкладывал http://rcl-radio.ru/?p=6687 , что скажете? Хотя бы для высокоомов этот усь пойдёт? Правда у меня их нет, но вдруг)))
|
|
|
23.09.2016, 16:07
|
#69
|
Регистрация: 05.01.2014
Адрес: Тюмень
Сообщений: 7
|
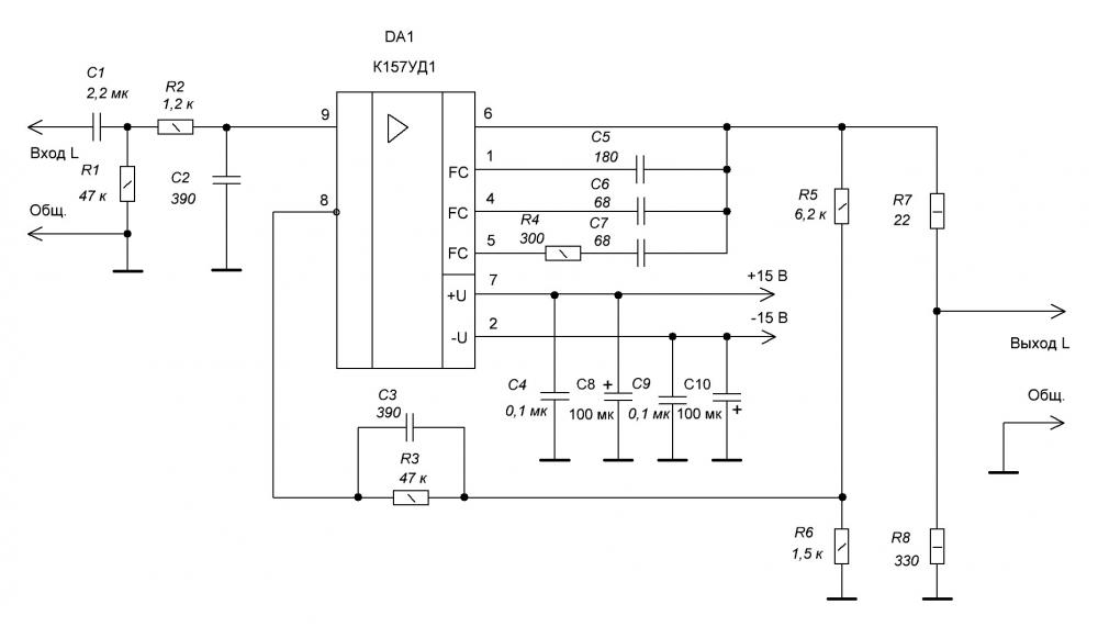
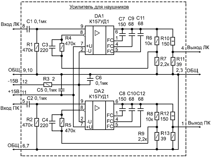
схемы на советских К157УД1
стоит ли попробовать эти схемы:  собственно для низкоомных (8 Ом), но автор пишет что " Для прослушивания на сравнительно высокоомные наушники типа ТДС-5 величины резисторов делителей на выходе необходимо изменить: R10=R12=22 Ом; R11=R13=82 Ом."
и дальнейшее развитие темы: "Применительно к современным источникам сигнала (компьютеры, проигрыватели компакт-дисков, МР3 плееры и т.п.) я изменил бы схему усилителя, приведенную в сообщении следующим образом  .
Изображен один канал усилителя для наушников. R10 я тут уже не нашел, видимо этот рассчитан только на ТДС-7, -15...
Что посоветуете, стоит собрать, для начала первый вариант? Сразу скажу, в схемотехнике я полный ноль, поэтому схемы такие простые, не требующие наладки.
|
|
|
23.03.2017, 21:03
|
#70
|
Регистрация: 01.10.2011
Адрес: Ижевск
Сообщений: 20
|
|
|
|
|
Следующий пользователь поблагодарил Serg1963 за это полезное сообщение
|
|
Ваши права в разделе
|
Вы не можете создавать новые темы
Вы не можете отвечать в темах
Вы не можете прикреплять вложения
Вы не можете редактировать свои сообщения
HTML код Выкл.
|
|
|
Часовой пояс GMT +4, время: 20:15.
|